40+ Gambar Sketsa Mikroskop Stereo Photos. Kan numuneleri, bakteriler, su organizmaları gibi daha küçük numunelerin görüntülenmesi gerektiğinde kullanılır. Laporan 1 mikroskop via slideshare.net.

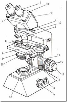
13 Bagian Bagian Mikroskop Cara Menggunakan Jenis Dan Sejarah
13 Bagian Bagian Mikroskop Cara Menggunakan Jenis Dan Sejarah from www.uniqpost.com
Alibaba.com offers 334 stereo mikroskop products. A wide variety of stereo mikroskop options are available to you Mikroskop stereo adalah mikroskop yang digunakan untuk observasi dengan perbesaran rendah dari sampel yang berukuran relatif besar secara tiga dimensi.

Walaupun kekocakan foto itu nampak biasa, namun gambar itu bisa mengganti mood kamu, dari yang mulanya boring dapat berubah ceria ketika melihatnya.

• stereo mikroskoplar ışık mikroskobundan farklı olarak sabit dürbün mantığı. Mikroskop stereo berbeda dari mikroskop lain karena mikroskop streo memiliki dua lensa okuler karena itulah jalur cahaya yang terjadi juga berbeda. Stereo mikroskop (stereo zoom mikroskop, stereoskopik mikroskop veya diseksiyon mikroskobu olarak da bilinir), tipik olarak numunenin içinden geçen ışık yerine yüzeyinden yansıtılan ışığı kullanarak bir numunenin düşük büyütme gözlemi için tasarlanmıştır. Bileşik mikroskop modelleri ''biyolojik mikroskop'', stereo mikroskoplar ise ''diseksiyon mikroskop'' olarak bilinir.